I. SDN과 Connected Car의 결합 SDV의 개요
가. 소프트웨어 정의 차량(SDV, Software Defined Vehicle)의 정의
- 차량 네트워크 기능과 지능형 어플리케이션을 지원하면서 하드웨어, 소프트웨어 및 관리를 간소화하여 운영비용을 낮출 수 있는 효과적인 네트워크 기술
II. 소프트웨어 정의 차량 네트워크 토폴로지 구조도 및 구성요소
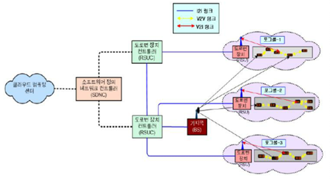
가. 소프트웨어 정의 차량 네트워크 토폴로지 구조도
![]() |
- 최소 전송지연 및 높은 처리량과 같은 고성능 요구사항을 충족하기 위해 소프트웨어 정의 네트워킹, 클라우드 컴퓨팅 및 포그 컴퓨팅 기술을 적용하여 어플리케이션 평면, 제어 평면 및 데이터 평면 등 3개의 평면으로 구성
나. 소프트웨어 정의 차량의 네트워크 구성요소
|
구분 |
구성요소 |
설명 |
|
장치 |
클라우드 컴퓨팅 센터 |
- SDNC를 통해 센싱 데이터 수집 및 처리 |
|
소프트웨어 정의 네트워크 컨트롤러 |
- Software Defined Network Controller - RSUC에 대한 제어를 담당하는 컨트롤러 |
|
|
도로변 장치 컨트롤러 |
- RSU, BS의 동작을 제어하는 장치 |
|
|
도로변 장치 |
- 차량 단말기와 통신을 위한 RF 기지국 장치 |
|
|
기지국 |
- 이동통신 신호를 수신하는 장치 |
|
|
포그 컴퓨팅 클러스터 |
- 데이터를 주고 받는 사용자와 물리적으로 가까운 장소에 네트워크를 분산 배치 - 데이터 처리를 클라우드에만 의존하는 것이 아니라 데이터가 생성되는 곳과 가까운 곳에서 어플리케이션을 배치하는 방식 |
|
|
링크 |
I2I 링크 |
- 차량 인프라 간 통신 링크 |
|
V2I 링크 |
- 차량과 인프라 간 통신 링크 |
|
|
V2V 링크 |
- 차량과 차량 간 통신 링킁 |
'IT기술노트 > 디지털서비스' 카테고리의 다른 글
| 스마트 그리드 보안 (1) | 2021.02.17 |
|---|---|
| 스마트 그리드(Smart Grid) (0) | 2021.02.17 |
| 생활밀착형 신산업 IT융합 (0) | 2021.02.17 |
| 스마트시티 통합플랫폼 (0) | 2021.02.17 |
| ISO 26262 (0) | 2021.02.16 |
| AUTOSAR (0) | 2021.02.16 |
| 라이다(LIDAR, Light Detection and Ranging) (0) | 2021.02.16 |
| 레이더(RADAR, Radio Detection and Ranging) (0) | 2021.02.16 |

댓글